HR科技生态
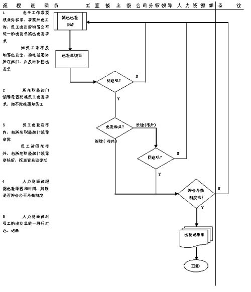
考勤管理-出差流程
2007-11-04 08:59  浏览:314

  名称 出差流程 类型 考勤管理

  备注:以下标准流程在金蝶K/3HR系统中,可以通过“工作流”技术,固化业务处理流程并及时通知到相关责任人。

  

发表评论
0评